PARKER: 螺纹插装阀新产品和新应用的展示2-1
2021-05-14 09:43:14
近年来,螺纹插装阀及集成阀组在中国市场迎来爆发式增长,在工程车辆、高空作业车、物料搬运等领域更是呈指数级增长,且该态势被众多行业大咖认为至少将持续8~10年。由于螺纹插装阀结构相对复杂,零部件小而多,对加工工艺要求高,热处理、精加工等难度较大等多个因素影响,国内螺纹插装阀仍以国际进口品牌为主。
派克汉尼汾旗下的螺纹插装阀历史悠久,汇集Fluid Power、Sterling、Waterman等众多知名品牌,工程底蕴深厚,技术专利多,产品广泛应用于工程车辆、市政设备、海洋船舶、工业制造、再生能源等行业和领域。
凭借先进的创新理念,优异的产品性能,持续优化的产品设计和严苛的质量管控,派克汉尼汾旗下的螺纹插装阀多年来一直傲视群雄。
一、
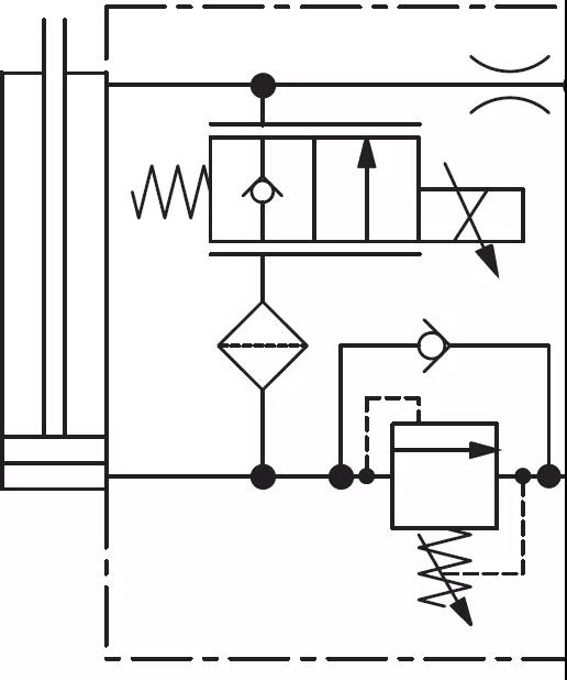
FAPC自重下降阀
派克汉尼汾旗下的电比例臂架和平台下降阀FAPC可在发动机失效或不提供动力的情况下,实现高空作业平台以及臂架的无动力下降。FAPC自重下降阀不仅节能,还可以减少柴油机(电动机)的操作时间,是一款适用于高空作业平台车和物料搬运设备(电动叉车)的安全、节能型液压元件。
与采用传统平衡阀、方向或者流量控制主阀的解决方案相比,
-
FAPC自重下降阀方案在平台、货叉或者臂架举升时,可以打开单向阀、主阀或者电机调速驱动定量泵控制进油;
-
下降时,流量则由带零泄漏内置压力补偿阀的2位2通电比例座阀控制,这种解决方案既显著降低能耗,又简化了液压回路设计。
此外,自重下降电比例阀可直接安装在油缸上,既简化安装、减轻重量,又节省空间和成本,FAPC结构图和外形见下:
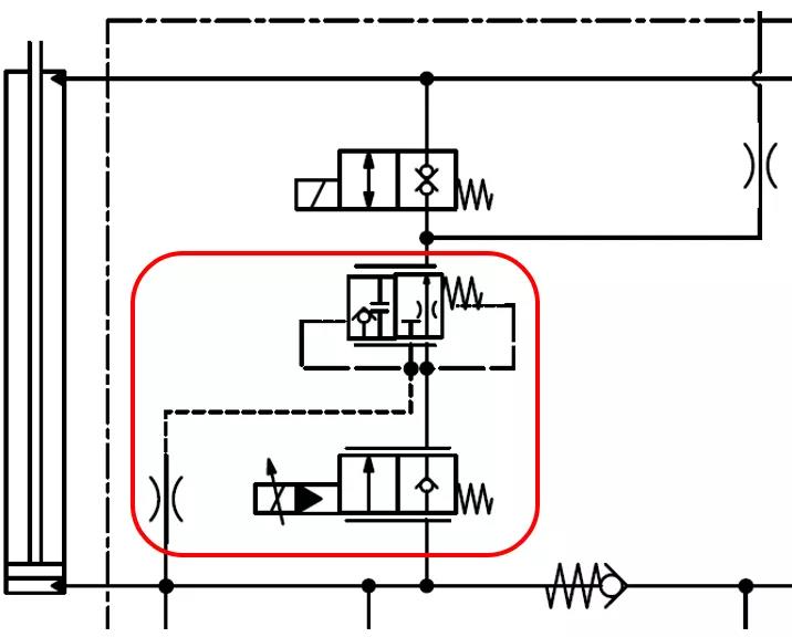
通过2位2通座阀的电比例阀配上压力补偿器,也能实现不受负载大小影响的调速阀,但这个方案存在潜在问题。请看下图:
从上图可以看出,通过1个带“滑阀结构”的压力补偿阀,2位2通电比例座阀可获得不受外部负载影响的调速性能,但由于压力补偿阀的滑阀结构会不可避免产生内泄漏,破坏2位2通座阀零泄漏的特性,这使该设计回路丧失了优良的负载保持功能。且随着时间推移,如果工作环境炎热,油液温度高,油液黏度下降会使液压油变稀,内泄漏越发明显,平台和臂架则会随着时间推移缓慢下沉,执行机构内部容易形成真空,再次动作时会引发气蚀,损坏其他液压元件(齿轮泵)。
一家著名的物料搬运设备OEM已经发现这个潜在问题,并在过去的几年里持续对此进行优化设计,但苦于没有合适的液压元件供选用,直到遇见FAPC,下列图片展示了客户这些年来的设计优化历程:
- 初期2014
(无压力补偿功能,调速性差,阻尼孔大小限速)

-中期2018
(初步破解泄漏问题,零部件增多,与此同时,阀组体积,重量和成本增加)
-最新2021
(FAPC,内置零泄漏压力补偿阀,即实现“零泄漏”负载保持,又实现下降速度不受外部负载影响)
二、
工程机械设备用蓄能器充液与制动控制 RU104
对于工程机械设备而言,蓄能器充液与制动系统是非常重要且必不可少的子系统,为工程机械设备日常行走和工作的安全性及可靠性提供坚实保障。
在常规的制动充液回路中,当蓄能器充液达到事先设定的压力值后,卸荷元件便开启卸荷阀,系统开始卸荷。当压力低于设定值80%左右时,卸荷元件关闭,系统重新建压,并再次给蓄能器充液,以此循环往复。从卸荷阀卸荷开启到再次建压,卸荷阀始终处于开启状态,能量损失不间断。
RU104
派克汉尼汾隆重推出与世界顶级工程机械OEM联合开发的“卸荷顺序阀” RU104,让派克汉尼汾成为该领域为数不多的拥有该项技术的TOP2供应商之一,该产品的最大特点为:卸荷时,RU104切断信号支路,卸荷信号支路不再有油液在高压下流回油箱,将这部分能量损失彻底杜绝,仅此一项,整机一年的节能便可达10%左右。
目前,一家著名的工程机械OEM在其全系列装载机上便采用了这款卸荷顺序阀。其工作原理和外形见下图:
我们还会推出螺纹插装阀的另外三个典型应用,敬请关注。